Article Variants
Accessories & matching products (HM-system)
Examples of use
X
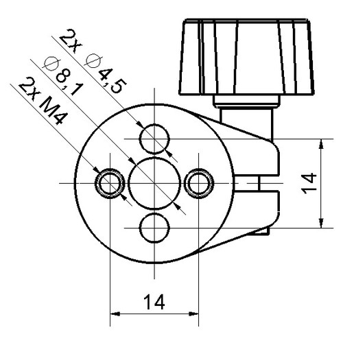
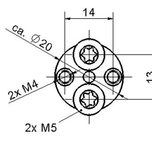
CAD-Data of Article: H2066
You will not receive any other unrequested mails in future. Please be reminded that we can't accept private e-mail-addresses (@gmail.com, @yahoo.com, ...). |
|||||||||||||||||||||||||||||||||||||||||||||||||||||||||



Add sample to basket
Continuous quantity discount:




















